| VERON afd. 56 Waterland Elektronische Nieuwsbrief. Oktober 2009 NIEUWSBRIEF Redactie: PA1XA pi4wld@veron.nl of pa1xa@amsat.org |
|---|
| Naam | Call | Telefoon | Email adres | |
|---|---|---|---|---|
| Voorzitter | Nico van der Bijl | PA0MIR | 434954 | pa0mir@veron.nl |
| Secretaris | Menno Putman | PE1LDZ | 645498 | pe1ldz@veron.nl |
| Penningmeester | Pim Eijlander | PA5PEX | 364031 | pa5pex@veron.nl |
| Webmaster | Gert Meinen | PA3AAV | Via email! | pa3aav@veron.nl |
| Ledenadm. | André Heijm | PA3HGP | 424160 | pi4wld@veron.nl |
| QSL manager | Erwin Kleis | PA3BLS | 438934 | pa3bls@ amsat.org |
| Leesmap | Nico van der Bijl | PA0MIR | 434954 | pa0mir@veron.nl |
| Waterland Award | Martin Ouwehand | PF9A | 366101 | pa8mo@hetnet.nl |
| Redactie nieuwsbrief | Sietse | PA1XA | Via email! | pa1xa@amsat.org pi4wld@veron.nl |
| Waterland ronde | Iedere vrijdagavond om 21.00 uur lokale tijd op 145.350 MHz | |||
| Homepage | http://hamradio.nikhef.nl/afdeling/waterland/ | |||
De tweede nieuwsbrief van dit seizoen. Gelukkig kreeg ik net nog een prachtig artikel van Stef en had ik er ook nog één op de plank liggen van Carla, want anders was het een lege nieuwsbrief geweest. Ik had geen copij!! Ik heb steeds gezegd dat ik de nieuwsbrief zou samenstellen, maar niet zou vullen want daar heb ik gewoon geen tijd voor. Dus als we volgende maand weer een leuke en interessante nieuwsbrief willen lezen dan hoop ik dat er wat meer copij binnen komt. We hebben nog een maand, dus dat moet goed komen. Stel mij en de afdeling niet teleur, er is zeker wel wat te vertellen na de zomer. Camping, antennes, appartement, antennes, experimenten in het zonnetje etc., er moet toch wel wat gebeurd zijn. Ik wacht met spanning af.
Maandag 6 oktober is de maandelijkse bijeenkomst in het clubhuis van de hengelsport vereniging aan de Vrouwenzandstraat 157 in Purmerend. Uiteraard is Erwin (PA3BLS), onze QSLmanager, aanwezig met de kaarten. Het was op het moment van het maken van deze nieuwsbrief nog niet bekend of er een lezing zou zijn, maar kom gewoon en maak er een gezellige avond van
Een set seinsleutels zou in geen Scouting club mogen ontbreken. Seinen is leuk, maar ook erg moeilijk. Het is een leuke uitdaging om de beperkingen die het seinen met zich brengt, proberen te overwinnen. Er zijn tal van leuke spelletjes met seinen te bedenken. Ik beschrijf er een paar onderaan deze pagina. Maar eerst een bouwbeschrijving van een set seinsleutels.
Een seinsleutel kun je voor niet al te veel geld op de kop tikken op een rommelmarkt of winkel. Maar een professioneel aanvoelende sleutel kun je ook makkelijk zelf bouwen. Hieronder staat hoe.
Op de foto kun je zien hoe ik ooit een sleutel gebouwd heb. Veel variaties zijn uiteraard mogelijk.

Het principe is een houten balkje dat is opgehangen tussen twee stalen haakse beugeltjes. Door de beugeltjes en het balkje loopt een bout, en ertussen zitten enkele ringetjes om het aanlopen te voorkomen. Verticaal door de balk (de sleutel dus) zijn twee bouten aangebracht, met de kop naar beneden. In de twee uiterste standen van de sleutel stoten de koppen van de bouten tegen een metalen plaatje op de grondplaat (bij mij spijker met bolle kop), en maken zodoende een elektrisch maaken breekcontact. Met de moertjes zijn de bouten in uitsteekhoogte verstelbaar, stel ze zo in dat er maar een enkele millimeter speling is en het lekker aanvoelt bij het seinen. Aan de achterkant van de sleutel zorgt een simpel elastiekje tussen twee oogjes gespannen ervoor dat de sleutel omhoog gaat als de sleutel niet bediend wordt. In die stand is het breekcontact gesloten en het maakcontact geopend. Monteer het geheel op een plankje, en dat alles weer in een soort van kastje, zodat het tegen een stootje kan. In het kastje moet nog ruimte zijn voor een zoemer en een batterij. (En eventueel een morse spiekbriefje).
Tip: om met 2 posten heen en weer te kunnen seinen moet je wel twee sleutels bouwen!
Nodig zijn:
Bij de aanschaf van het zoemertje moet je erop letten dat het een schel hoog geluid geeft. Zoemertjes met een laag brommerig geluid zijn moeilijker te volgen, is mijn mening. Ik gebruik van die schelle elektronische (alarm) zoemertjes. Bij deze moet je op de polariteit letten! (Rood is plus, zwart is min.)
Het zoemertje moet luid klinken bij de batterij die je gebruikt. Misschien wil je een rood ledje aansluiten parallel aan de zoemer. Soldeer het ledje en een weerstand van 470 ohm in serie aan de aansluitdraden van de zoemer. Als het ledje niet wil branden moeten de draden verwisseld worden. Een platte 4,5 volt batterij (dat zwarte ding op de foto), voor iedere post een. Gebruik beslist geen accu. Deze zijn erg gevaarlijk als er ergens een kortsluiting ontstaat. De enorme stroom die de accu kan leveren zal zoveel hitte opwekken, dat er bosbranden zouden door kunnen ontstaan.
De verbinding tussen de kabel en de sleutels moet met plugjes worden uitgevoerd, zodat de kabel maar op een manier kan worden aangesloten. De polariteit moet namelijk correct zijn. Ik gebruik van die kleine luidsprekerplugjes met een dunne pen en een brede dikke pen.

Het moeilijkst is het bedraden van het maakcontact en het breekcontact van de seinsleutel. Waar het draadje van de bewegende seinsleutel naar het vaste plankje gaat, heb ik het draadje in een spiraaltje gebogen om draadbreuk zoveel mogelijk te voorkomen (niet op de foto zichtbaar).
Bijzonder van dit schema is, dat hoewel er maar met één twee aderige kabel gewerkt wordt, er toch een heen en weer verbinding mogelijk is. Alleen de zoemer van de ontvangende post werkt, dat komt omdat alleen in de ruststand van de sleutel de zoemer op de kabel is aangesloten. Op het schema is de seinsleutel in ruststand getekend. Het bovenste pijltje is het breekcontact, en het onderste pijltje is het maakcontact.
Als er in het echt met deze sleutels gewerkt gaat worden, is het belangrijk dat de twee posten op geen enkele andere manier elkaar kunnen of mogen communiceren. Anders krijg je dat ze elkaar gaan toeschreeuwen "Nee, dat was verkeerd gegaan, overnieuw" of "Doe het nog eens, ik begrijp het niet". Spreek dus met de deelnemers een bepaald protocol af, zodat je de andere post snel kunt duidelijk maken wat er bij jou aan de hand is.
Bijvoorbeeld:
Verder is het verstandig om bij de eerste keer niet het hele alfabet te gebruiken, maar een beperkte tekenset (bv 10 tekens). Terwijl er geseind wordt moet het 'didah' systeem gebruikt worden. De 'dah' (streep) moet 3x zo lang uitgesproken en geseind worden dan de 'di' (punt). Gebruik dus niet het 'puntstreep' systeem. Dat werkt niet omdat de twee woorden ongeveer even lang worden uitgesproken.
Een leuk spelletje om mee te beginnen is Vier op een Rij. Neem (2 velletjes, voor iedere post 1) ruitjespapier en teken daarin 10 kolommen. Iedere kolom is 'genummerd' met een letter. Post A seint een letter naar post B. Dat betekent dat er een kruisje getekend wordt op het laagste vrije punt in die kolom (Bovenop het eventuele vorige kruisje). Post B seint de letter terug als bevestiging, en stuurt daarop een nieuwe letter als hun zet. Die positie wordt dan ook genoteerd in een andere kleur onderaan de kolom van die letter. Post A is dan klaar voor de derde zet. Zo gaat het spel door totdat een partij vier schijven van zijn kleur op een rij heeft; horizontaal, verticaal of diagonaal. Dit is een favoriet spelletje bij de Verkenners.
Zeeslag is een spelletje dat technisch wat meer van de spelers vergt. Probeer het maar eens; bij ons eindigt het meestal in een complete chaos. En zeg nou zelf, niets is frustrerender dan een oorlog die onbeslist is gebleven!
Voor het leren van het morsealfabet moet ik zeggen dat er maar 1 manier is: gewoon in je hoofd stampen. Oplezen van een papiertje werkt niet, het bericht komt dan te korrelig over. En het beroemde ezelsbruggetje van de lettergrepen werkt misschien wel bij het omzetten van letter naar morseteken, maar niet andersom.
Links
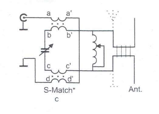
Uitdrukkelijk wil ik dit er bij vermelden om aan te geven dat ik niet de geestelijke vader ben van deze tuner , die en dat moet gezegd , voortreffelijk werkt . Bedoeld voor symmetrische antennes en omdat ik werk met een dipool gevoed door een kippenladder , kon ik het toch niet laten om deze tuner eens te maken. In het schema c wordt de tunerschakeling getoond als er een rolspoel wordt gebruikt .

Daar zien we de aanpassingstrafo , gewikkeld op een ringkern . Twee bifilaire wikkelingen met elk 2 x 8 windingen op een poederijzer kern , Amidon T2002 bijv. Als draad heb ik geïsoleerd montagedraad gebruikt van 0,8 mm diam. Dus eerst twee draden samen 8 keer om de kern en dan de twee andere draden in dezelfde wikkelrichting ook 8 x om de kern . Hoewel Fred aanraadt om de kern met teflon te isoleren , heb ik de draad gewoon om de blote kern gewikkeld . Bij 100 Watt gebeuren er geen rare dingen ! Let dus even op de aansluitingen van de spoelen en ik heb als proef de hele schakeling los op tafel liggend getest . De foto laat dit hopelijk goed zien.

In de afbeelding hieronder zien we hoe de zaak is opgebouwd ....

Heel eenvoudig allemaal en zó gemaakt ! Uit de verdere uitleg van pa0fri wordt duidelijk dat deze tuner in tegenstelling tot de bekende T match , helemaal geen last heeft van asymmetrie . Bij de T match ontstaat deze asymmetrie door de opbouw van het geheel . Ook al door de onderdelen zelf en plaatsing in de kast .
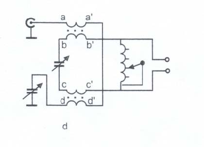
In mijn probeersel heb ik een gewone afstemcondensator gebruikt uit een omroepontvanger die zo'n 500 pF in capaciteit is . Alleen op 160 meter knetterde deze even , hi ! Maar dat was heel even en verder heb ik er geen enkel probleem mee gehad . Op alle banden kan ik met deze tuner prachtig afstemmen , dus met 2 knoppen hebben we een makkelijk te bedienen tuner . Omdat er niet allemaal over rolspoelen beschikken geeft Frits ook nog een mogelijkheid om een geschakelde spoel te gebruiken , zie hieronder dan de schakeling ... er komt één variabele condensator bij van 500 pF max. Wel neemt het rendement van de tuner iets af door deze extra condensator maar dat valt verder wel mee .

Dus .... er komt nu wel een knop bij . Uit het schema c wordt aangegeven dat ook een draadantenne kan worden gevoed , aarde is dan ook noodzakelijk . Mocht U het hele artikel willen nalezen dan verwijs ik naar Electron van Juni 2003 , De SMatch , een symmetrische ASTU met twee knoppen door pa0fri . Al met al is dit een leuk experimenteer object welk weer veel knutselplezier geeft .
Succes met de evt. bouw .
73 . Stef , pa0sjm.


De zomer is voorbij en de eerste herfst storm kondigt zich. Ik heb de antennes maar even ingedraaid, want schade willen we natuurlijk niet. Die stormen krijgen we er gratis bij, maar het herfst weer heeft ook zijn voordelen. Als het nat en fris is buiten, dan heb je geen excuus nodig om lekker in de shack te gaan zitten.
145.250 is de hele zomer erg rustig geweest, maar dit is het moment om het stof van de set te blazen en weer wat verbindingen te maken. Oktober is traditioneel de contestmaand en ook de maand van de Dag van de Amateur. Altijd weer een leuke beurs om te zien wat er nieuw is en om net even dat kleine Ctje te zoeken en te vinden die je al maanden nodig hebt. Dus niet getreurd over het vertrek van de zomer, de herfst is er weer. Lekker hobbyen!
Tot de volgende keer en best 73’s,
Sietse (PA1XA) Redacteur