VERON afd. 56 Waterland

Elektronische Nieuwsbrief.

December 2009

NIEUWSBRIEF

Redactie:

PA1XA

pi4wld@veron.nl of

pa1xa@amsat.org

Naam

Call

Telefoon

E-mail adres

Voorzitter

Nico van der Bijl

PA0MIR

434954

pa0mir@veron.nl

Secretaris

Menno Putman

PE1LDZ

645498

pe1ldz@veron.nl

Penningmeester

Pim Eijlander

PA5PEX

364031

pa5pex@veron.nl

Webmaster

Gert Meinen

PA3AAV

Via email!

pa3aav@veron.nl

Ledenadm.

André Heijm

PA3HGP

424160

pi4wld@veron.nl

QSL manager

Erwin Kleis

PA3BLS

438934

pa3bls@

amsat.org

Leesmap

Nico van der Bijl

PA0MIR

434954

pa0mir@veron.nl

Waterland Award

Martin Ouwehand

PF9A

366101

pa8mo@hetnet.nl

Redactie nieuwsbrief

Sietse

PA1XA

Via email!

pa1xa@amsat.org

pi4wld@veron.nl

Waterland ronde

Iedere vrijdagavond om 21.00 uur lokale tijd op 145.350 MHz

Homepage

http://hamradio.nikhef.nl/afdeling/waterland/

INHOUD

1.
2.
3.
4.
5.
6.
7.
8.

1. Voorwoord

In mijn vorige voorwoord heb ik verteld over mijn gebroken spanlijn van mijn 2m beam en het feit dat ik een tip nodig had over het gebruiken van een hoogwerker. Ik heb daar geen reactie op gehad en dat is niet vreemd, want wie kan er nu aan een hoogwerker komen? Niemand dus.

Maar niet getreurd, de gele gids (piep) is geduldig en daar kwam ik het adres van Hoogwerkers Waterland in tegen. Gezien het feit dat dit bedrijfje in de Baanstee in Purmerend zit, maar even langs gegaan. Ik heb daar mijn probleem aan de eigenaar, de heer Sopar, uitgelegd en hij was zeer behulpzaam. Zonder daar om te hebben gevraagd is hij na mijn bezoek even bij mij thuis gaan kijken (Cora was al bezorg, want er stond een man naar je antennes te kijken!?) em toen ik hem weer belde was de oplossing al gevonden. Voor een zeer schappelijke prijs, was hij bereid om mij te assisteren. Op exact de afgesproken tijd reed er een flinke bestelbus met een uit de kluiten gewassen aanhanger voor, waarop een knikarm hoogwerker stond. In korte tijd stond deze hoogwerker onder de antennemast en kon het feest beginnen.

Doordat ik er over had nagedacht ging ik met en hengelachtige constructie naar boven en had ik snel het nieuwe spandraad door het tui-oog. Na diverse malen naar boven en naar beneden te zijn geweest om de antenne weer 180 graden te draaien was het klusje na een uurtje geklaard. Ik had de heer Sopar verteld dat het maar een kwartiertje zou duren, want hoe moeilijk kon het zijn. Maar geen enkele ongeduld bij de heer Sopar, doe maar rustig aan, het moet veilig en goed. Dat wil je natuurlijk graag horen op zo’n moment.

Mijn beam is weer perfect en wat schetste mijn verbazing toen ik boven kwam, geen enkel stukje vulcaniseertape meer om mijn PL259 plug. Ben ik dat toen vergeten? Hebben die ett.. van spreeuwen het eraf gevreten? Wie zal het zeggen, maar dit geeft wel aan dat ook een PL259 plug iets van waterdicht zijn in zich heeft, want alles heeft altijd prima gewerkt.

Je moet het ijzer smeden als het heet is en dus vroeg ik de heer Sopar, namens het bestuur, of hij misschien bereid was om de afdeling te sponsoren in een weekend in januari, met een hoogwerker ivm Purmerend 600. No problem, natuurlijk, komt goed. Ji Ha, dat gaat lekker en dus kan ik jullie de diensten van Hoogwerkers Waterland zeer aanraden.

Gezien het feit dat wij zendamateurs niet voor ieder wisse wasje onze antennes willen demonteren, heeft de heer Sopar ook een stukje gemaakt voor deze nieuwsbrief. Ben je geïnteresseerd in zijn hoogwerkers, alles wat je nodig hebt staat in deze nieuwsbrief en ook de gele gids verricht deze keer wonderen.

2. December bijeenkomst

Op de bijeenkomst van 7 december a.s. zal er uitgebreid worden ingegaan op onze clubactiviteiten in het kader van Purmerend 600. Om het special event station in de lucht te brengen vraagt het bestuur enige hand-en spandiensten van de leden. De activiteiten worden gecoördineerd door de voorzitter Nico, PA0MIR. Kom dus naar het clubgebouw van de hengelsport vereniging in Purmerend, aan de Vrouwenzandstraat 157 in Purmerend. De avond begint om 20.00 uur en natuurlijk is Joop er om ons van natjes en droogjes te voorzien en kan je de QSL-kaarten brengen en halen bij onze QSL-manager, Erwin, PA3BLS.

3. Bestuursmedelingen

In deze convo vindt u de voorlopige programmering voor het komende verenigingsjaar.

De prijs voor deelname aan de leesmap van onze afdeling zal in 2010 niet verhoogd worden. Nieuwe deelnemers zijn van harte welkom ! U kunt zich opgeven bij onze voorzitter en leesmap beheerder Nico, PA0MIR.

Het voltallige bestuur stelt zich herkiesbaar voor 2010. Hier is echter één voorwaarde aan verbonden: het bestuur wordt voor het komende verenigingsjaar uitgebreid met één lid (gewoon lid zonder speciale taken zoals penningmeester of secretaris). Het vergaderschema vindt u bij de jaarplanning en de vergaderingen zijn “ter stroomlijning” een uur voorafgaand aan de clubavond in het gebouw van HSV Purmerend. U kunt zich opgeven bij ondergetekende.

…..en nu niet dringen allemaal…..

73 en tot 7 december a.s.,

Menno, PE1LDZ, secretaris

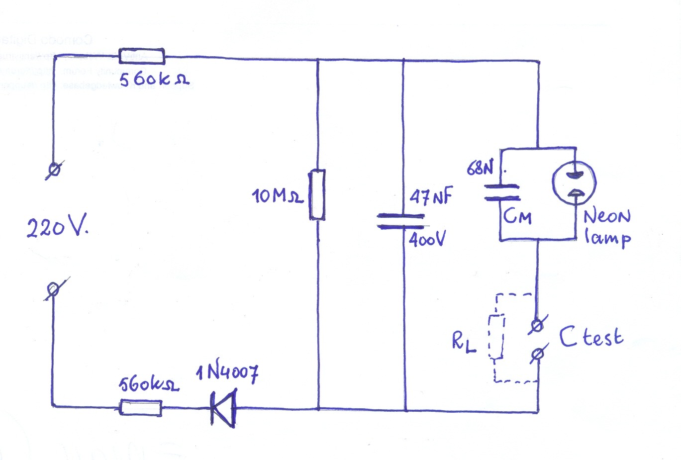
4. Condensator Lektester

Als U zo nu en dan eens bezig bent met oudere radio’s dan komt men vaak wel tegen dat condensatoren na vele jaren een behoorlijke lek vertonen .

Met de ohm meter lijken ze dan goed te zijn … oneindige weerstand , maar beter is het natuurlijk om ze te testen met een wat hogere spanning .

Nu trof ik in het Radio Historisch Tijdschrift ( juni 2003 ) deze aardige en simpel te maken tester aan . Het schijnt ook al in Radio Bulletin gepubliceerd te zijn . Deze schakeling is ook wel bekend als zaagtand generator die in eenvoudige oscillografen wel werd toegepast voor de tijdbasis .

De condensator Cm van 68 nF ( 0,068 microF ) wordt via de lekweerstand Rl van de te testen condensator opgeladen en dat gaat door tot de ontsteekspanning van het neonlampje wordt bereikt . Bij het ontsteken van het lampje wordt de condensator Cm meteen ontladen en dan begint het laden weer opnieuw . Zo ontstaat er een zaagtand over C test . Het lampje knippert aan .. uit .. aan .. uit .

Nu bepaalt de grootte van de lek( weerstand ) van de te testen condensator de snelheid van het knipperen . Hoe langzamer , des te beter de condensator . Of wel , hoe groter de lekweerstand des te langzamer de knippersnelheid . Bij grotere condensatoren even wat langer meten om een stabiele meting te krijgen .

Natuurlijk kunt U ook gewoon de condensator via een neon lampje op een hogere gelijkspanning aansluiten , maar dan heb je weer een voeding nodig en moet je weer oppassen dat je geen optater krijgt … nee , dit is veel mooier .

Pas op …. Dit gaat niet bij de modernere laagspanningscondendatoren !

Ik heb dit gebouwd in een lege netspanningsadapter behuizing . Nou .. gebouwd ..

Wel opletten dat U goede condensatoren gebruikt ( 400 Volt )

En … vanwege de hoge weerstanden van 560 kohm kun je de klemmetjes gerust vastpakken . De stroom is dan zo klein dat geen enkel gevaar is te duchten .

Om de werking even te testen neemt U even een weerstand van enkele 10tallen megohm’s waarbij het lampje dan gaat knipperen .

Succes .. Stef , pa0sjm

5. Hoogwerkers Waterland

Hoogwerkers Waterland is een jong, in hoogwerkerverhuur gespecialiseerd bedrijf, dat gevestigd is op de Baanstee-Oost in Purmerend. Wij verhuren alle soorten hoogwerkers tussen 8 en 30 mtr !! en beschikken dan ook over een heel arsenaal van hoogwerkers. Zeg maar gerust voor elk type klus de juiste machine en of er nu een woning geschilderd moet worden of een krappe situatie bij een

zendmast, op verzoek wordt kosteloos de situatie bekeken en advies gegeven hoe u het beste en voordeligst de klus kunt klaren.

Hoogwerkers Waterland is niet regio gebonden, kent geen borg en denkt echt met u mee, particulieren zijn welkom en op verzoek is een bedieningsman voorhanden. Dit alles tegen zeer concurerende tarieven.

Enkele weken geleden kwam uw redacteur nog met een probleem in zijn mast waar hij niet bij kon. Na een afspraak gemaakt te hebben was de klus snel geklaart. Hoogwerkers Waterland ontving de volgende dag het volgende bericht:

"Bedankt voor de hulp en de uitstekende service gisteren, het is perfect gegaan en het resultaat is prima"

Een klein bedrijf die nog ECHTE service geeft, waar vind je dat ?

Juist, in Purmerend.

HOOGWERKERS WATERLAND

Signaal 49

1446 WT PURMEREND

Web :www.hoogwerkerswaterland.nl

E-Mail :info@hoogwerkerswaterland.nl

Tel :06-24088000

Met vriendelijke groet,

Hoogwerkers Waterland

Hans Sopar

6. Voorlopige jaarplanning van bijeenkomsten in 2010 :

1 januari : PC600P ’s middags in Concordia

11 januari : Nieuwjaarsbijeenkomst

1 februari : jaarvergadering, bestuursverkiezing en eventuele voorstellen voor de

komende VR

1 maart : lezing (inhoud volgt nog)

5 april : LET OP : 2e Paasdag, geen bijeenkomst

12 april : VR-stukken bespreken + film

3 mei : 2e periode PC600P (1 mei t/m 27 mei)

7 juni : invulling Nog Niet Bekend

5 juli : laatste bijeenkomst voor het zomerreces

6 september : valt in de 3e periode van PC600P (1 september t/m 26 september)

- Invulling volgt nog -

4 oktober : invulling NNB

1 november : invulling NNB

6 december : invulling NNB

N.B. : De bestuursvergaderingen zijn in de oneven maanden (behalve in

januari) een uur voorafgaand aan de ledenvergadering in het

clubhuis van HSV Purmerend.

7. Hoe vraag je je bijzondere roepnaam aan?

Op de website van agentschap telecom is op heel eenvoudige manier de bijzondere roepnaam aan te vragen voor het komente 600-jarig stadsbestaan van Purmerend. Je moet daarvoor wel kunnen inloggen op die site en dat gaat met behulp van je DigiD.

Heb je nog geen DigiD dan kun je die nia een link op de site eerst aanvragen. Het duurt dan een paar dagen voor je een authenticatiecode in huis hebt dus wacht daarmee niet tot de laatste dag. Je DigiD is ook handig voor het raadplegen van allerlei persoonlijke gegevens. In het vervolg ga ik ervan uit dat je die dus al hebt.

Ga nu naar de site van agentschap Telecom:

http://www.agentschap-telecom.nl/Burgers/Pages/default.aspx

Klik nu op radiozendamateurs

Ga naar E-loket

Kies wijzigen

Kies registratiegegevens

Nu moet je inloggen met je DigiD

In dit scherm staat de procedure beschreven waarmee je voor een periode van ten hoogste 4 weken een bijzondere roepnaam kunt aanvragen.

We hebben afgesproken om dat als volgt te doen:

PA0XXX kiest PA600XXX

PA2XXX kiest PA602XXX

PA3XXX kiest PA603XXX

PD2YY kiest PD602YY

PE3ZZ kiest PE603ZZ

En zo voort

De eerste periode loopt van 1 januari tot en met 27 januari 2010.

Na afloop van deze periode vervallen de speciale roepletters weer en kun je ze opnieuw aanvragen voor periode 2, die zal lopen van 1 mei tot en met 23 mei.

Heb je alles goed gedaan dan krijg je per kerende mail bericht met de toekenning van de roepnaam en zul je een volgende keer bij het inloggen iets kunnen zien als:

Mochten er nog vragen zijn dan hoor ik het wel. Als iemand niet de beschikking heeft over internet-toegang dan kun je het bij voorbeeld via een kennis of bij de bibliotheek in orde maken.

Ik reken erop dat alle leden uit Purmerend en directe omgeving graag zullen meewerken.

73’s, Nico (PA0MIR)

8. Slotwoord

Dit was hem dan weer. Een goed gevulde nieuwsbrief. Zet vast de datum 1 januari in je agenda, want dan zal de afdeling zich presenteren bij Purmerend 600. Jullie aanwezigheid c.q. hulp wordt zeer op prijs gesteld. Als de antennes op een hoogte van een meter of 17/18 staan is het maken van verbindingen met onze speciale roepletters natuurlijk een makkie, dus twijfel niet en biedt a.s. maandag je hulp aan. Onze sponsor laat zich van zijn beste kant zien, dus doen wij dat ook!

Tot de volgende keer en best 73’s,

Sietse (PA1XA)

Redacteur