![]() | VERON afd. 56 Waterland Elektronische Nieuwsbrief. April 2017 Redactie: PA4XA pa4xa@amsat.org |
|---|
| Naam | Call | Telefoon | Email adres | |
|---|---|---|---|---|
| Voorzitter | Nico van der Bijl | PA0MIR | 434954 | pa0mir@veron.nl |
| Secretaris | Stef Macrander | PA0SJM | 362082 | pa0sjm@veron.nl clubzaken: pi4wld@veron.nl |
| Penningmeester | Pim Eijlander | PA5PEX | 364031 | pa5pex@veron.nl |
| Bestuurslid Webmaster | Gert Meinen | PA3AAV | Via email! | pa3aav@veron.nl |
| Bestuurslid | Jan Beijer | PE2ELS | 0204930194 | jbijer2@xs4all.nl |
| QSL manager | Erwin Kleis | PA3BLS | 438934 | pa3bls@amsat.org |
| Leesmap | Nico van der Bijl | PA0MIR | 434954 | pa0mir@veron.nl |
| Waterland Award | Martin Ouwehand | PF9A | 366101 | pf9a@veron.nl |
| Redactie nieuwsbrief | Sietse | PA4XA | Via email! | pa4xa@amsat.org |
| Waterland ronde | Iedere vrijdagavond om 21.00 uur lokale tijd op 145.350 MHz | |||
| Homepage | http://www.veronwaterland.nl/ | |||
1. Voorwoord
Tsja, wat zal ik zeggen. Dit is een 100% hobbyloze maand geweest. Gewoon geen tijd, geen zin, geen condities, toenemende storingen. Het is combinatie van al die dingen. Nu is een maandje zonder zender niet slecht. De spullen staan er, werken prima dus aanzetten en gaan. Waar ik me wel op verheug is mijn eerste seizoen met 4 meter operationeel. Ik ben benieuwd wat dat gaat brengen. In ieder geval een hoop firsts, voor mij dan. Zijn er eigenlijk al andere Waterlanders die QRV zijn op 4 meter? Misschien moeten we daar eens een Waterland rondetje houden? Ik zal in ieder geval b.v. 70.450(?) in FM regelmatig bijzetten, QRZ?
Ik heb een prachtig artikel ontvangen van EvertJan (PE1FWM), heel veel dank daarvoor. Het is fijn om uit de afdeling copij te krijgen. Zijn artikel staat natuurlijk is deze nieuwsbrief. Naast het stuk van EvertJan hebben ook Ger (PA3GKX) en Stef (PA0SJM) weer prachtige artikelen geleverd, dit is een nieuwsbrief waar de leden de inhoud echt hebben bepaald en dat is top. Van de afdeling voor de afdeling zullen we maar zeggen. Ik hoop dat ik vaker dit soort nieuwsbrieven mag maken.
A.s. maandag natuurlijk de voorstellen voor de V.R.. Een verplicht nummer, maar wel een belangrijke. Tijdens de V.R. wordt de koers van 'onze' Veron voor het komende jaar en soms jaren gemaakt. Mee denken en mee praten over deze voorstellen is dus belangrijk! Gewoon komen dus, het wordt in ieder geval weer een gezellige avond.
2. Maandag 3 april 2017
Op maandag 3 april bespreken de voorstellen voor Verenigingsraad (VR) 2017. Daarnaast is er onderling QSO. De voorstellen voor de VR worden als bijlage bij deze nieuwsbrief gevoegd. Zelf even uitprinten, zodat je kan meelezen kijken tijdens de bespreking. Alle aanwezige leden van de afdeling Waterland die lid zijn van de Veron, mogen mee stemmen over het standpunt van de afdeling.
De bijeenkomst is zoals gewoonlijk in het clubgebouw van de hengelsport vereniging in Purmerend, aan de Vrouwenzandstraat 157 in Purmerend. De avond begint om 20.00 uur en Marjan (of een vertegenwoordiger) zal er weer zijn om ons te voorzien van de natjes en droogjes. Erwin, onze QSLmanager, zorgt natuurlijk weer voor de QSL koffer.
3. Lezing De Onzichtbare Oorlog
Op onze bijeenkomst van maart 2017 was Hans Walrecht aanwezig voor zijn lezing over allerlei technische apparatuur in Duitse vliegtuigen gedurende de oorlogsjaren. Radar en vlieggeleiding in de bommenwerpers en jachtvliegtuigen van de Duitsers en van de Engelsen. Allemaal zeer knap van opzet. Daarbij werd er ook veel verteld over de andere kant van de strijd en wel de Engelse vaste radar installaties.

Een grote hoeveelheid technische informatie, maar Hans gaf dan ook enorm veel details van allerlei apparatuur. Het was soms een beetje om te duizelen, zoveel er op je af kwam. Zie dan ook op bovenstaande foto een deel van het aandachtige publiek. Er waren toch wel zo’n 25 toehoorders. Mooie benamingen die de duitsers gaven aan hun systemen. Neem nu bijv. Knickebein .. dan denken we aan een been met een knik? En dan Oboe bij de Engelsen.
Omdat de Britten in het begin weinig jachtvliegtuigen hadden legden zij zich toe op de ontwikkeling van radarstations voor het lokaliseren van de vijandelijke bommenwerpers. En dat is dan eigenlijk het starten van de elektronische oorlogvoering, de ene vinding werd door de andere opgevolgd en dat was het geval bij beide partijen. We kunnen terugzien op een mooie lezing door Hans.
Stef pa0sjm
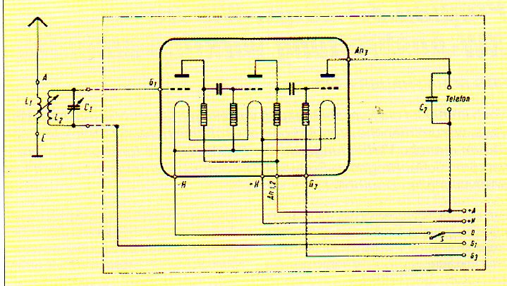
4. Het eerste IC (geïntegreerde schakeling) In Funkamateur ( Jan. 2017) kwam ik een interessant artikel tegen over de allereerste geïntegreerde schakeling. Niet zoals met denkt in de vorm van een chip maar hier gaat het om een radiolamp. En dan hebben we het over het jaar 1925 . De lamp bevatte een complete versterkertrap bestaande uit 3 trioden, 4 weerstanden en 2 condensatoren. En .. dat allemaal in één glazen ballon. De bedenker van dat moois was een jonge technicus met de naam Manfred von Ardenne (1907). Op zeer jonge leeftijd (16 !) kwam hij in dienst bij de firma Loewe, alwaar hij zijn roemrijke carrière begon. Hij blonk uit in een uiterst systematisch en analytisch experimenteergedrag. Zo was er zijn eerste patent over de techniek van de toonselectie, toe te passen in draadloze telegrafie . (Reichspatentamt Berlin: nr 427324 april 1926). Hij was toen 19 jaren jong!

We zien hier de schematische voorstelling van de lamp, er is weerstandskoppeling toegepast, toen nogal ongebruikelijk. Altijd werd transformatorkoppeling gebruikt om de stuurroosters hoogohmig te belasten. Ook werden de lagere tonen minder versterkt maar de jonge bedenker loste dit op door de spiraal van de stuurroosters een speciale vorm te geven. Hier de lamp in detail, iets zichtbaar zijn de weerstanden en condensatoren in de ballon. Deze onderdelen waren in kleine dichtgesmolten glazen buisjes opgesloten, ook al speciaal bij Loewe gefabriceerd. Om een radiotoestel te maken waren er door toepassing van deze speciale lamp maar enkele externe onderdelen nodig zoals een spoel en een afstemcondensator. Accu’s, koptelefoon, antenne en aarde eraan en men kon radio ontvangen. Nu moet men zich van de gevoeligheid niet erg veel voorstellen en erg selectief zal het apparaat ook niet geweest zijn maar nu was de hoeveelheid zenders op de middengolf niet zo groot. Ook kan men uit de naam van het toestel misschien afleiden dat deze radio voor dichterbij ontvangst was gemaakt. De type aanduiding was OE, hetgeen komt van Orts Empfänger en dat betekent, als ik het wel heb, plaatsontvanger,waar mee dan plaatselijke ontvangst mogelijk zou zijn. Op de foto hieronder een afbeelding van de complete radio van Loewe.


De type plaat geeft aan dat het toestel van 1926 is verkocht door het “Rundfunkhaus Centrum” in Franfurt am Main . Het gaat hier om een radio model OE333. Een verbeterd type, de OE433 had terugkoppeling voor instelling van de selectiviteit en gevoeligheid. Dus .. die was al een stuk beter. Reparatie was erg eenvoudig toen, altijd was de radiolamp de schuldige. Een gloeidraad was nogal al kwetsbaar en per ongeluk verwisselen van anode en gloeidraad accu’s was de dood van deze mooie radiolamp. Deze kwam uit als type 3 NF.
( M. van Ardenne: Over Weerstandsversterkers. Jaarboek der draadloze Telegrafie en Telefonie nr.26, 1925 pag. 52 – 54)
73 Stef pa0sjm
5. Fort Edam krijgt bezoek
Op 28 februari 2017 werd het Fort bij Edam bezocht door groep 8 van Basisschool de Zuidwester uit Volendam. Een geslaagde dag, niet alleen voor de leerlingen maar ook voor de medewerkers van het fort. Het hele fort is bekeken, dus ook de radiokamer waar Peter PA0PJE en Ger PA3GKX onder de roepnaam PA6FBE niet alleen hun hobby met veel plezier kunnen beleven, maar ook het morse promoten en in ere trachten te houden. Veel leerlingen hebben een verslagje gemaakt over hun belevenissen. De radiokamer speelt in deze verslagen een prominente rol. Hier enige reacties:
"De leukste kamer vonden we de radiokamer. Helaas hebben Randy en Sem die kamer niet kunnen bekijken. We hebben er ook een diploma gehaald."
"We mochten ook naar de radiokamer waar we informatie kregen over het communiceren in punten en streepjes, dat heet morse. We mochten zelf onze namen ook in morse typen."
"We leerde ook met een ouderwetse radio omgaan met piepjes. We mochten een spel doen je moest je naam seinen met piepjes aan een man die dat heel goed kon 11 namen ongeveer. Hij had alles goed je denkt dat het heel moeilijk is en er heel veel voor moet leren maar hij heeft er maar 6 maanden voor geleerd."
"Er was ook een loopgraaf nagemaakt en je mocht je naam in morse spellen. Morse is een soort code om op grote afstand met elkaar te communiceren."
"Er was een radiokamer daar kon je je naam spellen in morsetaal en ze wisten alsmaar je naam dat was super grappig."
"We gingen ook naar een radiokamer. Daar stond een apparaatje en op dat apparaatje zat een knopje en als je op dat knopje drukte hoorde je een piepje. Met dat piepje moest je je naam typen en dan gingen de radioamateurs raden hoe we heetten."
"Toen gingen we naar de radiokamer. Hier mocht iedereen zijn eigen naam typen in morse. Dat is het alfabet van soldaten, zo konden ze van veraf seinen met elkaar."
"Toen gingen we naar een kamer die heette de radiokamer. Daar mochten we morse code van onze intikken. Tijdens dat intikken moest een man raden welke naam er ingetypt werd."
"Het leukste was de radiokamer. Daar waren 2 manen die bij het leger zaten. Die moesten daar communiceren met morse. Daar waren ze echt heel goed in. Ze moesten onze namen raden in het morse. Dat lukte bij iedereen."
"Daarna mochten we werken met morse, dat vond ik zelf heel cool. Vooral hoe die mannen dat allemaal uit hun hoofd konden."
"Als laatste gingen we naar de radiokamer. Er waren 2 mannen die in het leger zaten. We moesten onze namen proberen te typen in morsetaal. Dat was heel leuk."
"De jongens en de meiden mochten ook met morsecode hun eigen naam typen."
"En op het eind naar de signaalkamer. Wij vond het heel erg leuk en interessant."
Ja, dames en heren zendamateurs zo ziet u maar weer, morse is cool, leuk, grappig en interessant. En hier kunnen Peter en ik ons voor de volle 100% in vinden.
73 de Ger/PA3GKX
6. SIM31
In Funk Amateur Januari 2017 (leesmap) stond een aardig artikel over SIM31, een PSK variant. Het toeval wil dat ik daar al een paar dagen mee aan het spelen was, hi. De software is ontwikkeld door de Tunesische SWL Nizar Ben Rejeb. SIM staat voor Structured Integration Mode en werkt ongeveer hetzelfde als BPSK31 als je kijkt naar de methode waarop gemoduleerd wordt. Het verschil zit hem in de gebruikte codec en de FEC (Forward Error Correction). Daardoor moet deze digimode beter bestand zijn tegen atmosferische invloeden tijdens de overdracht van het signaal.
Het gratis programma is te vinden op de site van ON4NB:
http://www.on4nb.be/sim.htm#English
Als je op de knop GETexe klikt krijg je de laatste versie V6949. Op deze site is ook een artikel uit CQQSO te vinden, klik op de Nederlandse vlag. (tweetalig, Frans en Nederlands) De Userguide vind je hier ook, maar wel in het Engels:
http://www.on4nb.be/sim_help/sim_users_guide_en.pdf
Zet de exefile ergens in een eigen map, daar maakt het wat hulpfiles aan voor de configuratie e.d. Het heeft verder geen ingewikkelde installatie procedure, het werkt direct, na het invullen van je gegevens en hoe je de set aanstuurt: Setup/ Audio & Radiosettings, Personal Data , Station Info. Met mijn IC7200 kon het aansturen op twee manieren:
Via Ham Radio de Luxe; HRD_CAT Use HRD PTT – Rig mode USB.
Of:
Direct naar de IC7200: Direct Cat Port: COM8 – 19200 baud – 8bit 2stop noparity Rig Cat as: IC7200 ( kiezen uit een dropdown menu) Rig Input: Default.
Deze instellingen verschillen natuurlijk per transceiver. Bij de laatste instelling moest HRD de Luxe ontkoppeld worden van de COMpoort, er kan er maar een tegelijk gebruik maken van de poort. In een normaal PSK scherm zie je (alleen) de CQ oproep als: cq new sim31. Het programma heeft een paar voorgeprogrammeerde toetsen / macro’s: info 1, info 2, Chat en 73Bye. Behalve Chat kan er gewijzigd worden in deze macro’s met behulp van een aantal voorgeprogrammeerde teksten, maar er kan ook vrije tekst worden ingegeven. Het gebruik van de voorgeprogrammeerde teksten kan worden bewaard, de vrije tekst moet elke keer opnieuw worden ingegeven, de toets Chat spreekt voor zichzelf. Er kan ook semiautomatisch worden gewerkt, dat is te programmeren onder de toets SIMauto.
De frequenties zijn ook voorgeprogrammeerd zowel HF, VHF als UHF:
70 cm : 432,202
| 2 m | : | 144,146 | |
|---|---|---|---|
| 6 m | : | 50,292 | |
| 10 m | : | 28,127 | |
| 11 m | : | 27,245 | (11meter ?) |
| 12 m | : | 24,916 | |
| 15 m | : | 21,099 | |
| 17 m | : | 18,089 | |
| 20 m | : | 14,067 | |
| 30 m | : | 10,142 | |
| 40 m | : | 7,045 | |
| 60 m | : | 5,360 | |
| 80 m | : | 3,596 | |
| 160 m : | 1,839 | ||
Overigens werkt het programma ook met SIM63 en PSK 31/63. Ik heb al een aantal verbindingen gemaakt en vond het best leuk om mee te stoeien. Intussen zie ik steeds meer stations verschijnen, de meeste op 20 en 40 meter. Ik zou zeggen, probeer het eens.
73’s EvertJan de PE1FWM.
7. Ketelbinkie (overgenomen uit Hellemonster, via PD2YL)
Het begin van KETELBINKIE. Eind jaren vijftig, woonde ik in de 2e Middellandstraat in Rotterdam. Mijn dienstplicht had ik achter de rug en was tijdens die periode opgeleid als telegrafist in de Simon Stevin kazerne in Ede. Daarna werd ik overgeplaatst naar de interceptiedienst in Gorinchem, waar mijn neemsnelheid nog eens werd opgevoerd tot 25 w/m. De rest van de diensttijd liep ik continudienst bij de interceptiedienst en aan het eind van de tijd zwaaide ik af. Ik had zelf voor de opleiding tot telegrafist gekozen, daar ik al vanaf mijn 13e jaar in het radiogebeuren geïnteresseerd was en vooral de morsetekens.
Na de diensttijd heb ik allerlei baantjes gehad, zoals op een kantoor werken, maar daar werd ik gillend gek van. De tijd schoot maar niet op en binnen zitten was voor mij een echte ramp. Daarna nog een tijdje als tally man in de haven gewerkt, maar daar zag ik uiteindelijk ook geen toekomst meer in. Dus dacht ik bij mezelf: "Je bent opgeleid als telegrafist in dienst, dus kun je ook als zodanig gaan varen". Vooral het leven aanboord van zeeslepers trok mij wel aan, een lekker ruig leven en geld verdienen als water, want eens zou de liefde wel toeslaan en moest je moe toch ook een huisje kunnen bieden en onderhouden. Niet dat er toen al een moe was hoor, maar soms een kortstondige verkering, die al snel weer voorbij ging, want ik was niet zo'n los type.
Dus de stoute schoenen aangetrokken en Wijsmuller en Smit Internationale gebeld, om te vragen of ze voor mij een baantje hadden als marconist op een van hun schepen. Nou, dat was wel een afgang hoor, want je had hiervoor een officieel diploma "Radioofficier" voor nodig. Eerst maar eens gebeld met Radio Holland, of zij mijn studie wilden bekostigen, daar ik al 21 jaar was en Pa en Moe ook niet zo dik in de slappe was zaten. Tweede teleurstelling, bij Radio Holland vonden ze mij te oud, dat had geloof ik te maken met inkopen in hun pensioen voorziening, althans, dat kreeg ik te horen, maar ze zullen mij wel gewoon een te oude zak gevonden hebben, TOEN AL. Alles nog eens goed overlegd met mijn ouders en toch maar besloten, om zelf de opleiding te betalen. Het geluk was nu toch een beetje met mij, want in de Graaf Florisstraat in Rotterdam bestond het opleidings instituut Radio Steehouwer en dat lag vijf minuten lopen vanaf mijn woonhuis. Ondanks dat de nieuwe cursus al een aantal maanden was begonnen, mocht ik toch mee gaan doen, ook al omdat ik het morse al onder de knie had. Alle boeken aangeschaft en de leerstof van de vorige maanden zeer serieus bestudeerd en tegelijkertijd de nieuwe stof in me opnemend. In het morse lokaal zat iedereen zeer geconcentreerd met de seinsleutel te oefenen en om de zoveel tijd werd je dan beluisterd, door de heer de Boer, onze docent. Als hij naar je luisterde, liep er ook een band mee, in zo'n prachtig koperen apparaat en werd je seinschrift opgetekend door een inktwieltje, dat de punten en strepen op de strook papier tekende. Nu was meneer de Boer een heel speciaal iemand, hij was zeer precies wat betreft het seinen en opnemen van zijn pupillen, zeer in tegenstelling tot zijn persoonlijke uiterlijk. Naarmate de tijd verstreek, kwamen er steeds meer brandvlekken op zijn overhemd, van de stukjes tabak die brandend naar beneden vielen, want als hij een shaggie rolde, dan haalde hij nooit het uitstekende plukje tabak eraf, maar stak er tegelijk de brand in. Ook zijn bril raakte steeds verder in verval, eerst een poot die afbrak en ook de glazen vertoonden een aantal barsten, vanwege het feit, dat de bril nog wel eens op de vloer viel. Of de man zo onverschillig was of geen geld had voor een nieuwe bril, ik zal het nooit meer te weten komen. De eerste keer, dat ik mee ging doen met het seinen, kreeg ik tegelijk de volle laag van hem, want er mankeerde nogal wat aan mijn seinschrift. Vergeet niet, ik had bij de interceptiedienst gezeten en nooit een seinsleutel meer aangeraakt, vanaf het moment dat ik in Gorinchem aankwam. Hij liet mij duidelijk merken, dat hij een perfect seinschrift eiste, anders kon ik het examen wel vergeten.
Ook alle voorschriften en Qcodes werden erin gestampt, evenals aardrijkskunde en niet te vergeten, alle kuststations van de hele wereld. Volgens mij moet ik in die tijd een kop als een container gehad hebben, om al die stof te leren. En vergeet de radiotechniek niet, ook dat moest nog eens geleerd worden, want aan boord kon ook nog wel eens iets kapot gaan en moest je toch proberen om dat te maken, want midden op de Atlantische oceaan hebben ze geen drijvende reparatieservices. Het viel mij wel op, dat er bij instituut Steehouwer geen technische boeken waren, op het gebied van de radiotechniek. Onze leraar, de heer van Dijk, las alles op en wij maar schrijven. In de avonduren thuis, typte ik alles op mijn oude remmington typemachine uit, met een scheve Y, want toen ik dat ding op de rommelmarkt kocht, was die er afgevallen en heb ik die letter er met een soldeerbout aangesoldeerd, maar je krijgt zo'n rotding natuurlijk nooit goed op zijn plaats. Zoals ik al gezegd had, ik was 21 toen ik voor marconist ging studeren en de schatkist thuis was altijd bijna leeg, dus per week 1 pakje zware van Nelle met rizzla vloeitjes en fl. 1,50 zakgeld. Je zult begrijpen, dat ik deze magere tijd zo snel mogelijk wilde beëindigen vandaar dat ik na schooltijd tot diep in de avond zat te leren. Eindeloos alles leren en herhalen, zodat ik de boeken bijna kon dromen, en op die manier naar het examen toewerken. Zo ging er anderhalf jaar voorbij en kwam eindelijk de datum voor het examen in zicht. Het eerste deel was het seinen en opnemen in den Haag. Nou ben ik van nature al een zenuwpees, misschien iets wat nodig is, om marconist te worden, dus de avond voor het examen kon ik al moeilijk in slaap komen, maar ze hadden de Middellandstraat tussen de tramrails ook nog eens opgebroken, voor reparaties.
Het was die avond slecht weer, met veel regen en wind en slecht zicht. Het olielampje ter waarschuwing voor automobilisten, dat daar iets opgebroken was, werd door de wind uitgeblazen, zodat er die avond verschillende auto's vast kwamen te zitten tussen de opgebroken rails. Ik kan je verzekeren, dat dit niet best is voor je nachtrust en ik denk dat ik pas om een uur of drie die nacht in slaap viel. De volgende dag naar den Haag getogen, om het eerste deel van het examen af te leggen. Natuurlijk sloegen de zenuwen gierend toe, wat misschien wel goed is voor het seinen, want dan gaat dat lekker vlug en met een goed staccato. Dat deel passeerde ik met voldoende tot goed, dus de helft van die dag zat er op, MAAAAAAAAAR, toen nemen. Kijk, ik kan best opnemen hoor, maar als de zenuwen zo hard toeslaan, dat zelfs je hele hand aan het vibreren slaat, dan wordt dat toch een zeer bedreigend probleem hoor, neem dat maar van mij aan. Ik had er zolang voor geoefend en ervoor naar den Haag gereisd, dus vooruit maar met de geit. Nu achteraf terugkijkend, denk ik dat ik toen hetzelfde gevoel had, als bij iemand die naar de tandarts moet en weet, dat hij een zenuwbehandeling krijgt zonder verdoving HI HI. We mochten twee keer een tekst nemen en zowaar, ik was erdoor, wel met een zeer vermanend woord van de examinator, dat ik beter moest leren schrijven, want ze hadden er zelfs een punt van afgetrokken, omdat mijn schrift zo onduidelijk was. Toen ik het examengebouw uitliep, had ik een zeer zonnig gevoel over me, terwijl de regen met bakken uit de grijze lucht viel. Het eerste deel was voorbij en kon ik meer uren aan de rest van de studie wijden, want ik bleef doorgaan. Ook het tweede deel van het examen, een aantal weken later, ging goed. Voorschriften, Qcodes, aardrijkskunde en engels ging van een leien dakje, dus nu nog, vond ik, het zwaarste deel, Radiotechniek.
Ook die dag brak aan en stond ik alleen voor vier heren achter een tafel gezeten en zeer streng kijkend. De eerste vraag ging over de wetten van KIRCHOFF, de ellendeling en ik zat helemaal vast. Gelukkig was er een examinator, die dat waarschijnlijk meer had gezien en die stelde me een beetje gerust en hij begon over een ander onderdeel van de techniek, ik dacht radiobuizen. Zo werkte ik mij door alle vragen heen en het ging eigenlijk steeds beter. Na twee uur hadden we zowat alles gehad en keerde hij weer terug naar de weledele heer KIRCHOFF, maar nu was ik dermate op gang, dat ik ook die hindernis kon nemen. Er werd gevraagd, of een van de andere examinatoren nog iets aan mij wilde vragen, maar dat bleek niet het geval te zijn. Mij werd vriendelijk verzocht de martelkamer te verlaten en in de kantine te wachten. Van deze wachttijd weet ik niets meer af, ik zal wel in een soort verdoving gezeten hebben, maar uiteindelijk werd ik gevraagd mee te komen voor de uitslag. Met rubberen benen ben ik de man gevolgd om het vonnis aan te horen, GRATIE OF DE DOODSTRAF? Als je dan de kamer weer binnenkomt, zitten die vier mannen daar weer met hun ernstige gezichten aan de tafel en kijken je aan. Er werd mij nog gevraagd, of ik de hele cursus had gevolgd op school en ondanks het feit, dat ik het in anderhalf jaar had gedaan, knikte ik uit volle overtuiging. Mijn grote vriend, de geruststeller, stond toen op, kwam naar mij toe en drukte mij vriendelijk de hand en feliciteerde mij met het behalen van het diplome RADIO OFFICIER grote vaart. Een beetje beduusd bedankte ik hem en kon ik naar de administratie om de papieren in ontvangst te nemen. Goh, alle avonden op mijn kamertje studeren op die bovenverdieping in Rotterdam waren dan toch niet voor niets geweest, ik had het gehaald.
Thuis waren ze zeer gelukkig met het behalen van mijn diploma, want dat scheelde weer schoolgeld en dus werd het budget voor de huishouding weer wat ruimer. Radio Holland hoorde natuurlijk van mijn slagen en belde enkele dagen later op, naar mijn grootvader, want in die tijd hadden wij nog geen telefoon en ze vroegen mij, of ik voor hen wilde gaan varen. Nu kon het ineens wel, maar ik heb dat geweigerd, want ik wilde de wilde vaart op. En ach, je bent jong en onbesuisd en je wilt laten zien, dat je iets voorstelt in deze wereld, dus werd er ook een uniform aangeschaft, want ergens die van binnen ben je toch trots op het resultaat, ook al zou later blijken, dat op de wilde vaart bijna nooit een uniform gedragen wordt, alleen de meester draagt een vuile pet in de machinekamer. Ook de foto in uniform mocht niet ontbreken, dus in vol ornaat ( 1 streep op de mouw) naar Jean Korff in Rotterdam voor het statieportret en de familie had er weer een zeeman bij, want ik ben niet de enige in de familie, die gevaren heeft. Of dit KETELBINKIE in den STILLEN OCEAAN een zeemansgraf heeft gekregen, lees je misschien in een volgend nummer. In de tussentijd wens ik jullie allen ontzettend veel plezier met onze mooie hobby en blijf die punten en strepen maar de lucht in schieten.
Gerard (PA3AAE)
8. Slotwoord
Zo moeten de nieuwsbrieven vaker zijn. Informatie uit allerlei hoeken en over allerlei onderwerpen. Mijn dank en complimenten aan Ger, Stef en Evert voor de mooie copij en aan Carla over haar tip om eens te kijken op de site van hellemonster. Een bron van prachtige artikelen.
Maar a.s. maandag eerst de VR voorstellen, de voorstellen zijn als bijlage bij deze nieuwsbrief gevoegd. Tot dan,
Best 73's,
Sietse (PA4XA) Redacteur A56