![]() | VERON afd. 56 Waterland Elektronische Nieuwsbrief. September 2019 Redactie: PF2X pf2x@amsat.org |
|---|
| Naam | Call | Telefoon | Email adres | |
|---|---|---|---|---|
| Voorzitter | Nico van der Bijl | PA0MIR | 434954 | pa0mir@veron.nl |
| Secretaris | Bernard Kruithof | PD4BER | 0657747524 | bernard.kruithof@ online.nl clubzaken: pi4wld@veron.nl |
| Penningmeester | Pim Eijlander | PA5PEX | 364031 | pa5pex@veron.nl |
| Bestuurslid Webmaster | Gert Meinen | PA3AAV | Via email! | pa3aav@veron.nl |
| Bestuurslid | Jan Beijer | PE2ELS | 0204930194 | jbijer2@xs4all.nl |
| QSL manager | Erwin Kleis | PA3BLS | 438934 | pa3bls@amsat.org |
| Leesmap | Nico van der Bijl | PA0MIR | 434954 | pa0mir@veron.nl |
| Waterland Award | ||||
| Redactie nieuwsbrief | Sietse | PF2X | Via email! | pf2x@amsat.org |
| Waterland ronde | Iedere vrijdagavond om 21.00 uur lokale tijd op 145.350 MHz | |||
| Homepage | http://www.veronwaterland.nl/ | |||
En dan opeens is het al weer september. Ligt het aan mij of gaan zomers sneller voorbij dan winters? Het weer was het niet, in mijn ogen maar een middelmatige zomer. Maar dat lange licht is waarschijnlijk toch de bron van geluk.
Doorgaans zijn zomers bij mij een op een neer wiebelen van gevoel. Sporadische E op 6m, naar de shack en dan het gevoel, zit ik binnen met dat mooie weer. Nu heb ik deze zomer voor het eerst een set in de caravan en een antenne voor 6m, maar ook hier: lag het aan mij? Ik heb maar weinig sporadische E meegemaakt? Ik kan mij de zomers herinneren dat er dagelijks mooie openingen waren, niks van dat alles dit jaar, grrr.
Heb ik stil gezeten op hobbygebied? Nee, voor het eerst in jaren ben ik redelijk druk geweest met vooral antennes. Bij mij duurt alles lang, van het moment waarop een gedachte een besluit is om iets te doen, kan wel even duren. Maar daarna is het ook geen echt 'vol op de pot' inzet. Rustig aan, nadenken, dingetje voor dingetje. De aanschaf van de onderdelen, het klaar maken voor gebruik, het installeren, het testen en dan eindelijk het gebruik. Voor de kleinste zaken kan ik weken zo niet maanden aan het rommelen zijn, ik heb het maar geaccepteerd blijkbaar werkt het bij mij zo. Hoe vaak heb ik jullie niet aangegeven dat ik bezig was met mijn zendertje in de caravan? Dat heeft best even geduurd, maar nu het klaar werkt het ook naar behoren, nou ja? Kom ik later wel op terug.
Maar wat heb ik naast de caravan perikelen dan nog meer gedaan? Zoals jullie weten heb ik een fijne liermast in de tuin, maar die staat bij niet gebruik ook vaak ingeschoven. De buren hè. Nu heb ik een CG3000 autotuner op de muur naast mijn mast hangen waaraan mijn 10m vertical hangt, die met een uitgeschoven mast prima werkt. Maar nu staat de mast ingeschoven, de CG3000 hangt er wel. Ik heb een (beperkte) hoogte en een tuner, daar moet je toch wat mee kunnen? En ja dat kan, via een slimme connector schakeling kan ik nu handmatig de 10m of een 6m vertical kiezen. Dat werkt redelijk tot 60m. Ik ben er erg blij mee, HF ter beschikking met een ingeschoven mast. Ik ben wat enthousiast begonnen aan het SOTA programma en deze antenne heeft me al heel wat nieuwe SOTA's op 40, 30 en 20 opgeleverd.
Daarnaast, hoe toepasselijk met de lezing van vanavond, ben ik bezig met een miniwhip actieve HF antenne van Rob PA0RDT. Zoals iedereen moet ook ik me door een berg storing heen worstelen. Ik zat te denken aan het gebruik van een luisterloop, maar dat is kostbaar (te veel werk om zelf te maken) en weer een antenne in de tuin. Mijn lieve schat, kreeg pardoes de hik toen ik enthousiast uitweidde over de magisch eigenschappen van een loopantenne voor het raam van de woonkamer. Toch maar even niet, maar wat dan? Google is je beste vriend en daar was de miniwhip. Ook magisch als ik de reviews mag geloven, maar dan goedkoop en in een 14cm, 50mm PVC pijp. Die kan ik nog wel ergens onzichtbaar weg werken. De loop is nog niet helemaal buiten beeld, maar als de miniwhip echt werkt dan ben ik tevreden. Ik ben dus erg blij met de lezing van vanavond. Ik zie jullie daar.
Op maandag 2 september 2019 om 20.00 uur hebben we onze eerste maandelijkse bijeenkomst van het seizoen 2019/2020. PA0MBJ, Mans Jansen, komt een fantastische lezing houden over het ontwerp van een actieve hf antenne – en hij neemt voldoende bouwpaketten mee voor iedereen (te koop, wel te verstaan). De actieve antenne is bruikbaar is van 20 kHz tot 80 MHz. Zelfs op 150 MHz werkt hij nog. Op de langeen middengolf is het een werkelijk sublieme antenne. Makkelijk om in elkaar te zetten en geweldig als hulpantenne voor ontvangst. Als je wat meer wil weten: kijk vast even op de website: A43.veron.nl.

Natuurlijk komen we weer bij elkaar op het bekende adres van het clubgebouw van de Hengelsport Vereniging te Purmerend, Vrouwenzandstraat 157. Erwin is er weer met zijn koffer met QSLkaarten. Er wordt door Marianne gezorgd voor de koffie of een ander drankje. Graag weer uw aandacht voor de wekelijkse Ronde op 145,350 MHz vanaf
21.00 uur op de vrijdagavond. Luister mee en meld je in. Op onze website http://www.veronwaterland.nl vindt U het laatste nieuws.
Nu zijn de vakanties zo goed als voorbij, toch wil ik een leuke portable ontvanger aanbieden. Dat is de Degen DE1103. Dit is een AM/FM/SSB ontvanger. Frequentie bereik : FM 76 – 108 MHz
AM/SSB 100 – 29,999 MHz Met Operation Manual en veel documantatie. Dus ook schema en foto’s van het inwendige van de ontvanger. Verder … tasje, ACDC Adapter en oortjes.
Prijs 40 €

73, Stef pa0sjm@veron.nl
Bericht van de Veron: Na de Dag voor de Radioamateur (DvdRA) 2018, heb ik vastgesteld, dat de brief vorig jaar aan alle afdelingen succes heeft gehad. De deelname en de kwaliteit van de zelfbouwtentoonstelling op de Dag voor de Radioamateur was weer hoog. Mijn dank aan iedereen die een bijdrage heeft geleverd. Uiteraard is het nu zaak om dit voort te zetten en zoveel als mogelijk uit te bouwen.
Wij, de evenementencommissie, maar vooral de bezoekers van de DvdRA, zouden het zeer op prijs stellen als er meer en ook andere deelnemers, hun zelfbouw projecten zouden willen demonstreren. Daarom vraag ik de afdelingsbesturen ons te helpen om zelfbouw op de DvdRA een impuls te geven, door in hun afdeling potentiele zelfbouwers aan te spreken om zich op te geven voor deelname aan ons jaarlijkse evenement. Er staan enkele voordelen tegenover, deelname is kosteloos, entree en parkeerkosten zijn vrij, deelnemers ontvangen een gratis lunchpakket en een herinnering op de DvdRA. Voor deelname aanmelden bij: Jos Disselhorst, PA3ACJ, email: pa3acj@veron.nl.De uiterste aanmelddatum is 15 sept. Vergeet niet aan te geven met hoeveel personen u deelneemt, en voeg korte beschrijving van het zelfbouwproject toe. Iedere aanmelder ontvangt van Jos de nodige informatie. Verdere informatie kunt u vinden op https://dvdra.veron.nl en op de VERONwebsite.
Wij hopen weer op een enthousiaste deelname aan de zelfbouw tentoonstelling op de DvdRA op zaterdag 2 november 2019 in de IJsselhallen in Zwolle. Wij rekenen op uw hulp.
Storingen komen op allerlei manier onze ontvangers in. Eén belangrijke route, die we ons vaak niet realiseren zijn de mantelstromen. Storingen die zich via de buitenmantel van onze coaxkabels naar de ontvanger begeven. Eigenlijk moet je bij ieder antenne die je gebruikt een mantelstroomfilter plaatsen, onder het motto voorkomen is beter dan genezen. Ik kwam daar laatst het onderstaande geweldige schema voor tegen, die ik met jullie moest delen. Doe er je voordeel mee.

Hoe groener de balk hoe beter de demping voor een bepaald frequentiegebied.
Sietse (PF2X)
Alweer enige tijd geleden heeft JosPA3ACJ tijdens een lezing over het gebruik van een spectrumanalyzer een schemaatje van een eenvoudig aanpassingsnetwerkje laten zien. Van 75Ω naar 50Ω en uiteraard omgekeerd. Dit simpele dingetje bevat slechts 2 weerstanden. Nu heb ik een zwak voor simpele schakelingetjes, en was daardoor ook direct gefocust om een manier te vinden om deze “aan passer” voor andere dan de toenmalig gegeven impedanties te kunnen gebruiken. Rekenen dus. Dit bleek nog niet zo simpel, maar na enige onderzoek, toch de wiskunde achterhaald.
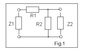
Soms is het nodig om de impedantie van een signaalbron aan te passen aan de impedantie van een doelschakeling. B.v. Als de uitgang van de bron 75Ω is en de ingang van de doelschakeling b.v. 50Ω. Je kunt hier natuurlijk een transformator voor maken, maar deze hebben vaak de eigenschap sterk frequentie afhankelijk te zijn. Wanneer voldoende signaal voor handen is, dan kan het ook met een netwerkje van weerstanden. Zie Fig.1.

Dit is ook op een print wat simpeler te monteren. (Z. is de karakteristieke impedantie.) Z1 is de hoge impedantie en Z2 is de lage impedantie. Gewoonlijk kunnen we weerstanden met de wet van Ohm berekenen. Dat gaat hier echter niet op. Om deze netwerken te kunnen berekenen hebben we nog een hulpwaarde nodig waarin de relatie tussen Z1 en Z2 opgesloten ligt. We beginnen met het berekenen van deze hulpwaarde welke we hier de letter � hebben mee geven. ( het echte symbool is mij niet bekend) Nu
een beetje wiskunde.
Nu een paar voorbeelden. Stel Z1= 75Ω en Z2 = 50Ω.
1. �=√75Ω75Ω−50Ω =1,732.
2.R1 = 75Ω/ � = 43,3Ω.
3. R2 = 50 x1,732=86,6Ω.
Nu kijken of het klopt. Van uit de 50Ω kant richting 75Ω moet 50Ω te zien zijn als het netwerk met 75Ω is afgesloten. Tel Z1 op bij R1. 75Ω + 43,3Ω = 118Ω. Dit parallel aan R2 =118Ω�86,6Ω118Ω+86,6Ω = 49,945Ω. Dit klopt.
Nu de andere kant. Z1 van 75Ω moet 75Ω blijven zien, als het netwerk met 50Ω is afgesloten. Bereken Z2 parallel met R2. 50Ω�86.6Ω50Ω+86,6Ω = 31,7Ω. Tel dit nu op bij R1. 43,3Ω + 31,7Ω = 75Ω. Dit klopt ook.
Nu doen we iets geks. Stel Z1 is 150Ω
1. �=√150Ω150Ω−50Ω =1,225.
2.R1 = 150Ω/ � = 122,45Ω.
3.R2 =50Ω x � = 61,25Ω.
Nu controleren. 150Ω +122,45Ω = 272,45Ω. Dit parallel aan 61,25Ω = 272,45Ω�61,25Ω272,45Ω+61,25Ω = 50,03Ω Nu andersom; Bereken Z2 parallel aan R2. 50Ω�61,25Ω50Ω+61,25Ω = 27,528Ω. Tel dit op 122,45Ω + 27,528 = 149,978Ω.
Door de verschillende berekeningen te nummeren (zie boven) is vergissen tot een minimum terug te brengen. Houd er rekening mee dat parasitaire capaciteiten en zelfinducties grote invloed kunnen uitoefenen op dit soort schakelingen. Zeker op hogere frequenties. Dat geld trouwens voor alle verzwakker en filter netwerken. Ook brengen weerstand netwerken altijd verliezen met zich mee. Dit betekent dat bij wat grotere vermogens de zaak warm kan worden. Bereken in die gevallen altijd de vermogens welke in de verschillende weerstanden gedissipeerd moeten worden.
7. Slotwoord
Het is weer even in slingeren, deze koste meer tijd dan ik gehoopt had en gewenst was. Maar goed, een leuke nieuwsbrief met voor ieder wat wils en een leuke lezing te gaan vanavond. Ik zag opeens dat er nog wat aanvullende informatie over deze lezing aanwezig was, die voeg ik als bijlage bij deze nieuwsbrief. Tot vanavond,
Best 73's,
Sietse (PF2X) Redacteur A56